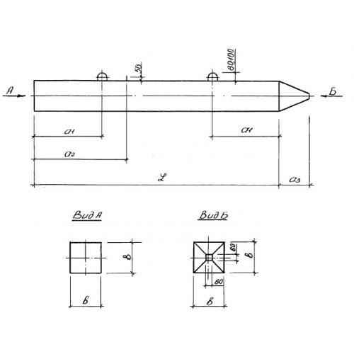
СНпр 5-25
Характеристики изделия:
| Параметр | Значение |
|---|---|
| длина | 5000 мм |
| ширина | 250 мм |
| высота | 250 мм |
| масса | 800 кг |
| нормативный документ | Серия 1.011-6 |
Цена:
Рассчитать стоимостьСНпр 5-25 Сваи цельные сплошного квадратного сечения с напрягаемой продольной арматурой из высокопрочной проволоки (Серия 1.011-6).
