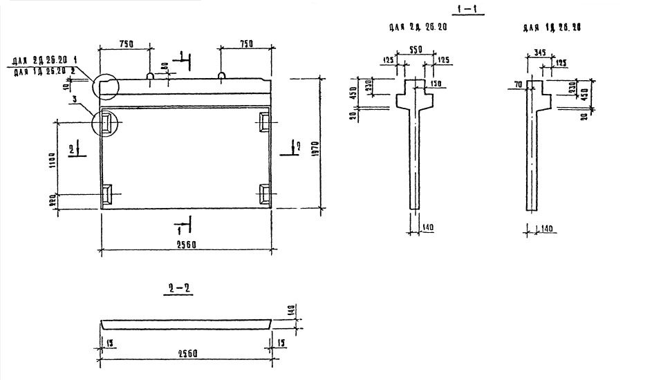
2Д 26.20 диафрагмы жесткости

Чертеж изделия:
Характеристики изделия:
ПараметрЗначение
длина2560 мм
ширина550 мм
высота1970 мм
масса2630 кг
нормативный документСерия 1.020-1/87

2Д 26.20   Диафрагмы жесткости с двумя полками Серия 1.020-1/87.