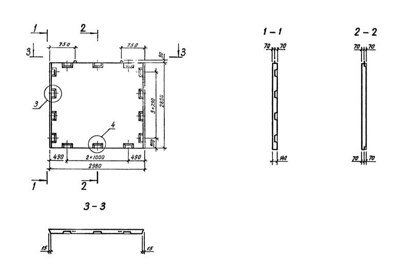
Д 30.29

Чертеж изделия:
Характеристики изделия:
ПараметрЗначение
длина2980 мм
ширина140 мм
высота2850 мм
масса1990 кг
нормативный документСерия 1.020.1-3пв

Д 30.29  Диафрагмы жесткости  Серия 1.020.1-3пв.