ПСЦ 46.230.25

Чертеж изделия:
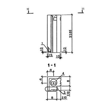
Характеристики изделия:
ПараметрЗначение
длина460 мм
ширина2285 мм
высота460 мм
масса5200 кг
нормтаивный документСерия 1.020.1-3пв

ПСЦ 46.230.25  Панели стеновые цокольные Серия 1.020.1-3пв.