6ПГ 60 перемычки балочные

Чертеж изделия:
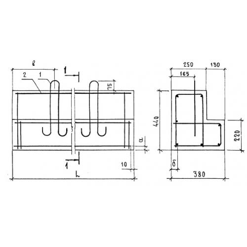
Характеристики изделия:
ПараметрЗначение
длина5960 мм
ширина380 мм
высота440 мм
масса2065 кг
нормативный документСерия 1.038.1-1

6ПГ 60  Перемычки балочные Серия 1.038.1-1.