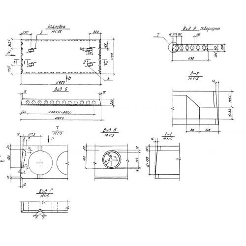
ПК 27-12-16

Чертеж изделия:
Характеристики изделия:
ПараметрЗначение
длина2650 мм
ширина1190 мм
высота220 мм
вес700 кг

ПК 27-12-16 Многопустотные плиты перекрытия по серии 1.041-1.