2ПСО 30.33.3,5-П-ПВ
| Параметр | Значение |
|---|---|
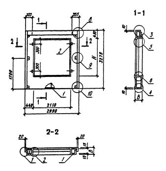
| длина | 2990 мм |
| ширина | 350 мм |
| высота | 3275 мм |
| масса | 2170 кг |
| нормативный документ | Серия 1.090.1-3пв |
Панели наружных стен однослойные для зданий с высотой этажа 3,3 м (Серия 1.090.1-3пв).
2ПСО 30.33.3,5-1П-ПВ Панели стеновые с оконным проемом.
2ПСО 30.33.3,5-2П-ПВ
Марка содержит обозначение основных характеристик панели и состоит из буквенно-цифровых групп.
Цифра в первой группе означает: в панелях с оконными и дверными проемами - отличие в размерах или расположении проема, отличие в типах или расположении вертикальных торцов панели (зеркальность); в панелях без проемов - отличие в типах или расположении вертикальных торцов панели (зеркальность).
Группа букв означает название стеновой панели.
Группа цифр (записаны через точку) обозначает габариты панели (длина, высота, толщина) в дециметрах.
Во второй группе цифр указан тип несущей способности перемычки панели.
П - вид бетона - бетон на пористых заполнителях.
ПВ - изделие предназначено для строительства зданий на просадочных грунтах и на подрабатываемых территориях.