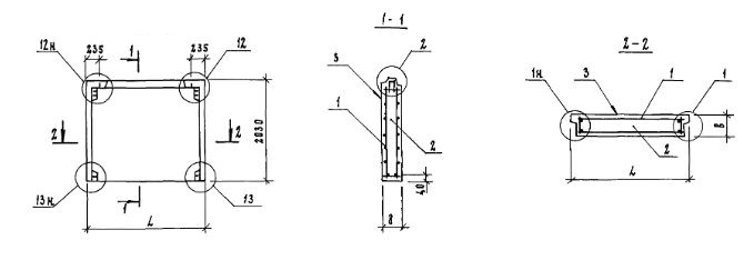
1ПСН 24.20.40-п-1
Характеристики изделия:
| Параметр | Значение |
|---|---|
| длина | 2390 мм |
| ширина | 400 мм |
| высота | 2030 мм |
| масса | 2700 кг |
| нормативный документ | Серия 1.117.1-20 |
Цена:
Рассчитать стоимостьПанели наружных цокольных стен. Панели толщиной 400 и 450 мм (Серия 1.117.1-20).
1ПСН 24.20.40-п-1 Панели стеновые наружные.
п-пористый бетон.