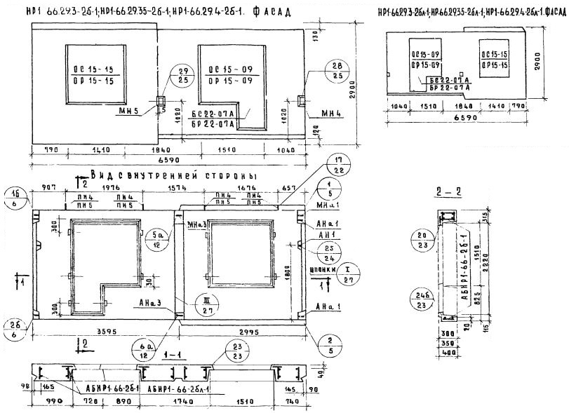
НР1-66.29.35-2б-1

Чертеж изделия:
Характеристики изделия:
ПараметрЗначение
Длина6590 мм
Ширина350 мм
Высота2900 мм
Масса6480 кг
Нормативный документСерия 1.132-1

НР1-66.29.35-2б-1   Наружная стеновая панель рядовая по Серии 1.132-1.