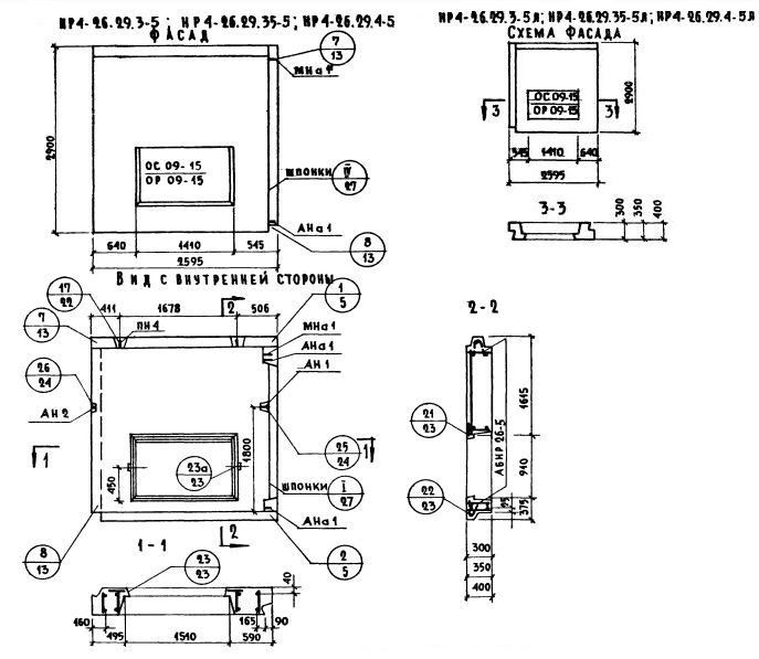
НР4-26.29.4-5

Чертеж изделия:
Характеристики изделия:
ПараметрЗначение
Длина2595 мм
Ширина400 мм
Высота2900 мм
Масса3380 кг
Нормативный документСерия 1.132-1

НР4-26.29.4-5   Наружная стеновая панель рядовая по Серии 1.132-1.