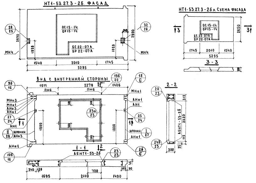
НТ1-53.27.3-2б
Характеристики изделия:
| Параметр | Значение |
|---|---|
| Длина | 5295 мм |
| Ширина | 300 мм |
| Высота | 2650 мм |
| Масса | 4650 кг |
| Нормативный документ | Серия 1.132-1 |
Цена:
Рассчитать стоимостьНТ1-53.27.3-2б Наружная стеновая панель торцевая по Серии 1.132-1.
| Параметр | Значение |
|---|---|
| Длина | 5295 мм |
| Ширина | 300 мм |
| Высота | 2650 мм |
| Масса | 4650 кг |
| Нормативный документ | Серия 1.132-1 |
НТ1-53.27.3-2б Наружная стеновая панель торцевая по Серии 1.132-1.