5БНУ 16.9.40
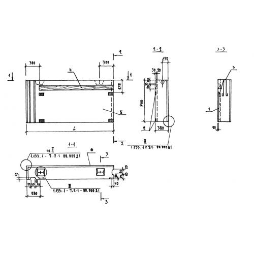
Характеристики изделия:
| Параметр | Значение |
|---|---|
| длина | 1580 мм |
| ширина | 380 мм |
| высота | 900 мм |
| серия | 1.133.1-7 |
Цена:
Рассчитать стоимость5БНУ 16.9.40 Блоки парапетные угловые по серии 1.133.1-7.
| Параметр | Значение |
|---|---|
| длина | 1580 мм |
| ширина | 380 мм |
| высота | 900 мм |
| серия | 1.133.1-7 |
5БНУ 16.9.40 Блоки парапетные угловые по серии 1.133.1-7.
