1ПР 27
Характеристики изделия:
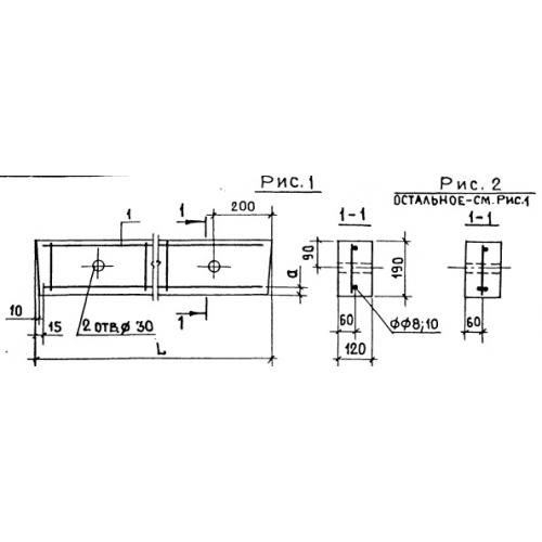
| Параметр | Значение |
|---|---|
| длина | 2720 мм |
| ширина | 120 мм |
| высота | 190 мм |
| вес | 155 кг |
| серия | 1.138-10 |
Цена:
Рассчитать стоимость1ПР 27 Перемычки брусковые по серии 1.138-10.
| Параметр | Значение |
|---|---|
| длина | 2720 мм |
| ширина | 120 мм |
| высота | 190 мм |
| вес | 155 кг |
| серия | 1.138-10 |
1ПР 27 Перемычки брусковые по серии 1.138-10.
