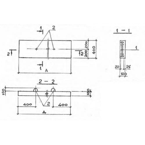
ПП 4

Чертеж изделия:
Характеристики изделия:
ПараметрЗначение
длина1380 мм
ширина400 мм
высота100 мм
масса150 кг
нормативный документСерия 3.006.1-2/82

ПП 4 Плиты перекрытия лотков  (плоские подкладки) Серия 3.006.1-2/82.