П 27

Чертеж изделия:
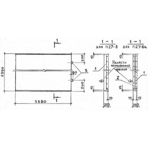
Характеристики изделия:
ПараметрЗначение
длина2990 мм
ширина3380 мм
высота250 мм
масса6320 кг
нормативный документСерия 3.006.1-2/82

П 27  Плиты перекрытия лотков Серия 3.006.1-2/82.