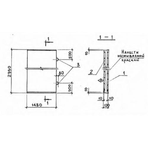
П 13/2 плиты лотков

Чертеж изделия:
Характеристики изделия:
ПараметрЗначение
длина1485 мм
ширина1480 мм
высота120 мм
масса675 кг
нормативный документСерия 3.006.1-2/87

П 13/2 Плиты перекрытия лотков Серия 3.006.1-2/87.