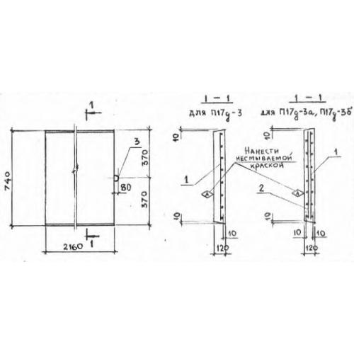
П 17 д плиты лотков

Чертеж изделия:
Характеристики изделия:
ПараметрЗначение
длина740 мм
ширина2160 мм
высота120 мм
масса480 кг
нормативный документСерия 3.006.1-2/87

П 17д Плиты перекрытия лотков доборные Серия 3.006.1-2/87.