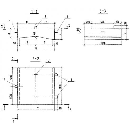
Б 1-22-75 блок

Чертеж изделия:
Характеристики изделия:
ПараметрЗначение
длина1000 мм
ширина750 мм
высота270 мм
вес380 кг
серия3.503.1-66

Б 1-22-75  Прикромочные блоки бетонные по серии 3.503.1-66.