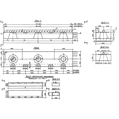
3БН 60

Чертеж изделия:
Характеристики изделия:
ПараметрЗначение
длина6000 мм
ширина1200 мм
высота500 мм
вес8050 кг
серия3.503.1-79

3БН 60 - блоки насадок.   Насадки на сваи по серии 3.503.1-79.