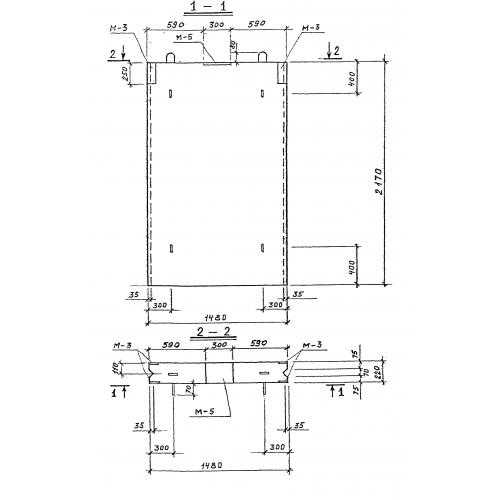
ПС-7

Чертеж изделия:
Характеристики изделия:
ПараметрЗначение
длина1480 мм
ширина220 мм
высота2170 мм
масса1600 кг
нормативный документСерия 3.903 КЛ-13

ПС-7  Панели стеновые по Серии 3.903 КЛ-13.