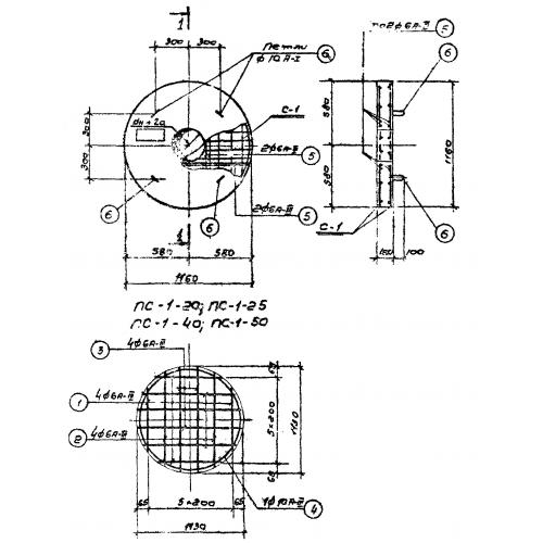
ПС 1
Характеристики изделия:
| Параметр | Значение |
|---|---|
| длина | 1160 мм |
| ширина | 1160 мм |
| высота | 150 мм |
| масса | 383 кг |
| нормативный документ | Серия 4.902-3 |
Цена:
Рассчитать стоимостьПС 1 Плиты по Серии 4.902-3.
| Параметр | Значение |
|---|---|
| длина | 1160 мм |
| ширина | 1160 мм |
| высота | 150 мм |
| масса | 383 кг |
| нормативный документ | Серия 4.902-3 |
ПС 1 Плиты по Серии 4.902-3.
