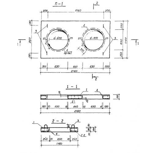
П-1
Характеристики изделия:
| Параметр | Значение |
|---|---|
| длина | 2160 мм |
| ширина | 120 мм |
| высота | 1160 мм |
| вес | 670 кг |
| серия | ТП 310-4-1 |
Цена:
Рассчитать стоимостьП-1 Плиты перекрытий по проекту ТП 310-4-1.
| Параметр | Значение |
|---|---|
| длина | 2160 мм |
| ширина | 120 мм |
| высота | 1160 мм |
| вес | 670 кг |
| серия | ТП 310-4-1 |
П-1 Плиты перекрытий по проекту ТП 310-4-1.
